Автор Тема: SM801: проблема с совместимостью  (Прочитано 6399 раз)

0 Пользователей и 1 Гость просматривают эту тему.

Оффлайн benladen88

  • Пользователь
  • Сообщений: 814
    • Просмотр профиля
SM801: проблема с совместимостью
« : 06 Декабрь 2022, 17:16:38 »
Второй из имеющихся у меня в данный момент клонов тоже отказывается быть нормальным - любой картридж с игрой Tiny Toon запускается с "эффектом миража" - изображение волнистое и дёрганное. В чём может быть проблема?
« Последнее редактирование: 16 Декабрь 2022, 22:04:13 от benladen88 »

Оффлайн benladen88

  • Пользователь
  • Сообщений: 814
    • Просмотр профиля
SM801: проблема с совместимостью
« Ответ #1 : 16 Декабрь 2022, 22:32:13 »
Сфоткал поведение Тайни Туна (чем дальше от центра - тем лучше. Когда Бастер подпрыгивает - волн почти не видно).
« Последнее редактирование: 02 Февраль 2023, 19:43:34 от benladen88 »

Оффлайн benladen88

  • Пользователь
  • Сообщений: 814
    • Просмотр профиля
Re: SM801: проблема с совместимостью
« Ответ #2 : 23 Январь 2023, 23:18:02 »
Ну ладн, раз по этой теме ступор, сделаю рекап и спрошу пока что по стерео)
Восстановил недоложенные R21, R22, CE14 и CE15 (почти в соответствии со схемой, только кондёры по 25, десяток сейчас нету временно). Дорожки на Mini Din 9 от кондёров не шли, сконнектил сам. Входы на R21 и R22 звонятся с соответствующими ногами ОУ. Стерево - не звучит и не показывает. Что я ещё мог пропустить?

Оффлайн Фамиклон

  • Пользователь
  • Сообщений: 1247
    • Просмотр профиля
SM801: проблема с совместимостью
« Ответ #3 : 24 Январь 2023, 13:44:10 »
любой картридж с игрой Tiny Toon запускается с "эффектом миража"
Только одна конкретная игра? Просадок по питанию нет? Попробуй повесить на питание слота и мультичипа полимерные (твердотельные) конденсаторы 220-470uf.

Добавлено позже:
Стерево - не звучит
Сам кабель - стерео? Они вроде разные бывают.

Оффлайн benladen88

  • Пользователь
  • Сообщений: 814
    • Просмотр профиля
Re: SM801: проблема с совместимостью
« Ответ #4 : 24 Январь 2023, 15:56:05 »
Только одна конкретная игра? Просадок по питанию нет? Попробуй повесить на питание слота и мультичипа полимерные (твердотельные) конденсаторы 220-470uf.
Одна и та же игра на разных носителях. Проблем в других не замечал. Попробую.
UP: в Кастле такой же эффект, но в пол-силы.

Сам кабель - стерео? Они вроде разные бывают.
Есть стерео с тюльпанами, есть скарт, да и миниджековым разъёмом подпаивался напрямую к выходам.
« Последнее редактирование: 30 Январь 2023, 14:29:31 от benladen88 »

Оффлайн Rumata

  • Emu-Land Team
  • Сообщений: 25599
  • Ушел в закат
    • Просмотр профиля
SM801: проблема с совместимостью
« Ответ #5 : 24 Январь 2023, 17:00:06 »
изображение волнистое и дёрганное.
Попробуй ТВ переключить в 4:3. У Тини-туна картинка 256х224

Оффлайн Фамиклон

  • Пользователь
  • Сообщений: 1247
    • Просмотр профиля
SM801: проблема с совместимостью
« Ответ #6 : 24 Январь 2023, 17:13:04 »
Есть стерео с тюльпанами, есть скарт, да и миниджековым разъёмом подпаивался напрямую к выходам.
Да всяко бывает, если по схеме тюльпан-тюльпан ошибиться сложно, то со всякими Джеками, Диками и Скартами - не мудрено. Лучше перепроверить. А так, остается делать сравнение на чёткое соответствие со схемой, чудес не бывает.

Оффлайн benladen88

  • Пользователь
  • Сообщений: 814
    • Просмотр профиля
Re: SM801: проблема с совместимостью
« Ответ #7 : 24 Январь 2023, 17:37:13 »
Попробуй ТВ переключить в 4:3. У Тини-туна картинка 256х224

Так ТВ и так 4:3) Пресетов типа "зум" или "16:9" не стоит. И на других клонах при том же сетапе "картридж и телек" тайнитунов так не плющит. А этот так на любом телевизоре отображает (пробовал на двух ЭЛТ и 1 ЖК).

А так, остается делать сравнение на чёткое соответствие со схемой, чудес не бывает.
Надо будет выделить вечер на это дело. Вроде ж больше ничего очевидно недостающего на фотке не палится

Оффлайн Фамиклон

  • Пользователь
  • Сообщений: 1247
    • Просмотр профиля
SM801: проблема с совместимостью
« Ответ #8 : 24 Январь 2023, 22:30:41 »
Вроде ж больше ничего очевидно недостающего на фотке не палится
Тяжело что-то понять по фото. Вижу что первый блок ОУ задействован, второй не распаян, куда идёт выход третьего (слева от минуса питания) и вход четвертого? Так что хз. Только прозванивать полностью.

Оффлайн benladen88

  • Пользователь
  • Сообщений: 814
    • Просмотр профиля
Re: SM801: проблема с совместимостью
« Ответ #9 : 24 Январь 2023, 23:14:47 »
куда идёт выход третьего (слева от минуса питания)
если это нижний правый, то на свежепосаженный R21

и вход четвертого
если тот, что с переходного отверстия, то группа резисторов слева (и кондёр с ними)

Оффлайн Фамиклон

  • Пользователь
  • Сообщений: 1247
    • Просмотр профиля
SM801: проблема с совместимостью
« Ответ #10 : 24 Январь 2023, 23:43:50 »
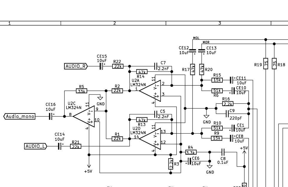
benladen88, 256617-0 Где переходное отверстие должен быть первый. Слева на право - выход третьего, инвертированный вход четвертого.

Оффлайн benladen88

  • Пользователь
  • Сообщений: 814
    • Просмотр профиля
Re: SM801: проблема с совместимостью
« Ответ #11 : 25 Январь 2023, 00:16:26 »
benladen88, (Ссылка на вложение) Где переходное отверстие должен быть первый. Слева на право - выход третьего, инвертированный вход четвертого.
Первый выходит на R22, значит, третий - моно, методом исключения. Вход звонится с R1, например

Оффлайн Фамиклон

  • Пользователь
  • Сообщений: 1247
    • Просмотр профиля
SM801: проблема с совместимостью
« Ответ #12 : 25 Январь 2023, 00:54:41 »
benladen88, "Звонится" - это коротыш. Тут должно быть некое сопротивление близкое к вышепредставленной схеме, вероятоно, что эта схема здесь как раз соответствует плате. Проверяй всё на соответствие.

Оффлайн rubella123

  • Пользователь
  • Сообщений: 12
    • Просмотр профиля
Re: SM801: проблема с совместимостью
« Ответ #13 : 31 Январь 2023, 22:46:53 »
Подпишусь. Такой же клон, с такой же проблемой. Ещё в нем изображение темноватое. Особенно хорошо видно в мк3 ultimate. В тронном зале шао кана, знак дракона на полу, который должен быть серого цвета, здесь абсолютно чёрный. Однажды подключил свой другой клон с норм изображением через очень слабый блок питания и получил такую же тёмную картинку. Так что, возможно, в этом клоне какие то проблемы с питанием.

Оффлайн rubella123

  • Пользователь
  • Сообщений: 12
    • Просмотр профиля
SM801: проблема с совместимостью
« Ответ #14 : 31 Январь 2023, 22:58:00 »
А по поводу стерео, у меня вот так:
256899-0256901-1

Оффлайн benladen88

  • Пользователь
  • Сообщений: 814
    • Просмотр профиля
Re: SM801: проблема с совместимостью
« Ответ #15 : 01 Февраль 2023, 19:06:10 »
rubella123, сравню. Уже начинаю думать, что 22 мкФ вместо 10 играют большую роль.
Тоже уродский корпус а-ля PS One?)
Свич видеорежимов своими силами установлен? Ко мне едет щас вот такая гадость, кварц на 14,31818 и керамика под ним уже установлены (номинал такой же, как и для пал-кварца). Какие-то ещё нюансы есть на этот счёт?
« Последнее редактирование: 01 Февраль 2023, 20:21:14 от benladen88 »

Оффлайн rubella123

  • Пользователь
  • Сообщений: 12
    • Просмотр профиля
Re: SM801: проблема с совместимостью
« Ответ #16 : 01 Февраль 2023, 20:25:48 »
rubella123, сравню. Уже начинаю думать, что 22 мкФ вместо 10 играют большую роль.
Тоже уродский корпус а-ля PS One?)
Свич видеорежимов своими силами установлен? Ко мне едет щас вот такая гадость, кварц на 14,31818 и керамика под ним уже установлены (номинал такой же, как и для пал-кварца). Какие-то ещё нюансы есть на этот счёт?
Ага, корпус от пс 1
Да, переключатель сам ставил, но прежде чем его поставить, нужно будет, где его посадочное место, несколько дорожек между контактами перерезать.

Оффлайн benladen88

  • Пользователь
  • Сообщений: 814
    • Просмотр профиля
Re: SM801: проблема с совместимостью
« Ответ #17 : 01 Февраль 2023, 20:40:41 »
нужно будет, где его посадочное место, несколько дорожек между контактами перерезать.
А можно заранее уточнить, какие именно?)
На фотке ещё у С4 нога зачем-то поднята…

Оффлайн rubella123

  • Пользователь
  • Сообщений: 12
    • Просмотр профиля
Re: SM801: проблема с совместимостью
« Ответ #18 : 01 Февраль 2023, 21:20:52 »
А можно заранее уточнить, какие именно?)
На фотке ещё у С4 нога зачем-то поднята…
  С4 это не обращай внимания, я с видео ковыряться пытался.
контакты как то так, по моему, по умолчанию соединены. Перед установкой переключателя, их нужно будет перерезать.
256981-0

Оффлайн rubella123

  • Пользователь
  • Сообщений: 12
    • Просмотр профиля
SM801: проблема с совместимостью
« Ответ #19 : 01 Февраль 2023, 21:24:37 »
Вот так
256983-0

Оффлайн benladen88

  • Пользователь
  • Сообщений: 814
    • Просмотр профиля
Re: SM801: проблема с совместимостью
« Ответ #20 : 01 Февраль 2023, 21:31:00 »
rubella123, спасиб.

Во, вижу, что я не добавил R17 и R20. Там ещё для уменьшения перегруза в моно рекомендуется понизить R5 до 10K

В тронном зале шао кана, знак дракона на полу, который должен быть серого цвета, здесь абсолютно чёрный.
С этим у меня вроде норм


_______________________________

Впаял недостающие резисторы - не помогло. Попробовал замкнуть R21 и R22 как перемычки - и на максимальной громкости телека что-то тихое таки услышал. Эксперименты продолжаются
« Последнее редактирование: 01 Февраль 2023, 22:42:30 от benladen88 »

Оффлайн rubella123

  • Пользователь
  • Сообщений: 12
    • Просмотр профиля
Re: SM801: проблема с совместимостью
« Ответ #21 : 02 Февраль 2023, 00:07:44 »
Ce12, ce13, r19, r18 впаял?

Оффлайн benladen88

  • Пользователь
  • Сообщений: 814
    • Просмотр профиля
Re: SM801: проблема с совместимостью
« Ответ #22 : 02 Февраль 2023, 01:04:50 »
rubella123, да :neznayu:

Поздний апдейт: стерео работает, надо было, как нормальный человек, дождаться стереокабеля, а не тестить, подпаиваясь миниджеком к плате (хотя странно, что этот способ не работает, но алишный кабель решил многое).
« Последнее редактирование: 22 Март 2023, 15:24:09 от benladen88 »

Оффлайн Фамиклон

  • Пользователь
  • Сообщений: 1247
    • Просмотр профиля
SM801: проблема с совместимостью
« Ответ #23 : 05 Февраль 2023, 10:44:21 »
Неохота открывать новую тему, спрошу здесь. RG 300 игр, после перевода из ntsc в pal отказывается работать одна встроенная игра - Robocop vs Terminator, выдает сообщение набором кириллических букв, по клавиатуре можно прочитать изначальный текст на английском, что данный картридж не предназначен для вашего региона. Переключатели p/n o/j не помогают, что может быть?

Оффлайн benladen88

  • Пользователь
  • Сообщений: 814
    • Просмотр профиля
Re: SM801: проблема с совместимостью
« Ответ #24 : 05 Февраль 2023, 13:28:33 »
Неохота открывать новую тему, спрошу здесь. RG 300 игр, после перевода из ntsc в pal отказывается работать одна встроенная игра - Robocop vs Terminator, выдает сообщение набором кириллических букв, по клавиатуре можно прочитать изначальный текст на английском, что данный картридж не предназначен для вашего региона. Переключатели p/n o/j не помогают, что может быть?
О, кстати, у меня картридж такой. На флэшке, или как бы сказали современные ретро-обзорщики "ууу, качественный, на микросхеме".
Его жрёт только говноклон на капле типа RedKid, или кто там с AtGames копировал, ну кароч та, что сама подстраивается под регион, но звучит как крипипаста. Спасибо "русефекаторам", да прибудет с вами ЬЮВГЕЯФ

Оффлайн Rumata

  • Emu-Land Team
  • Сообщений: 25599
  • Ушел в закат
    • Просмотр профиля
SM801: проблема с совместимостью
« Ответ #25 : 05 Февраль 2023, 19:34:33 »
что может быть?
Всё уже было :)

Раз уж мы тут говорили о регионах и мегакеях...
Так вот, есть игры, которые определяют регион по VDP. Проверяется только $C00005, остальные игнорируются. Естественно на нормальной приставке это обнаружить невозможно, потому как VDP переключается вместе с регионом. Нужна модифицированная приставка или клон с раздельными установками.

Оффлайн Фамиклон

  • Пользователь
  • Сообщений: 1247
    • Просмотр профиля
SM801: проблема с совместимостью
« Ответ #26 : 06 Февраль 2023, 10:42:57 »
есть игры, которые определяют регион по VDP.
Понятно. Для запуска игры консоль должна работать в ntsc. Зачем только китайцы всунули такой образ...

Оффлайн benladen88

  • Пользователь
  • Сообщений: 814
    • Просмотр профиля
Re: SM801: проблема с совместимостью
« Ответ #27 : 06 Февраль 2023, 12:22:15 »
Понятно. Для запуска игры консоль должна работать в ntsc. Зачем только китайцы всунули такой образ...
1) я выше описывал запуск на паловской гадости
2) всунули то, что зачем-то существует

Оффлайн Фамиклон

  • Пользователь
  • Сообщений: 1247
    • Просмотр профиля
SM801: проблема с совместимостью
« Ответ #28 : 06 Февраль 2023, 13:40:36 »
я выше описывал запуск на паловской гадости
Да понял, понял. Ну нету у меня паловской гадости, есть только ТОП-VIP клон на микросхеме(!) без капель  :) как говорится, что имеем то имеем.

Оффлайн benladen88

  • Пользователь
  • Сообщений: 814
    • Просмотр профиля
Re: SM801: проблема с совместимостью
« Ответ #29 : 03 Март 2023, 19:53:59 »
Впердолил переключатель, NTSC-режим работает в ч/б  :wall:
ТВ должен воспринимать NTSC нормально, оригинальный Genesis 3 он показывал в цвете.