Когда-то это всё обсуждалось уже, ну да ладно.
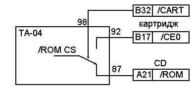
Система построена так, что консоль и CD соединяются один раз и дальнейшее их использование происходит совместно. Источник выбирается автоматически. Если вставлен картридж - то картридж, если нет - CD. Переключение происходит по входу /CART

При отсутствующем /CART всегда обращение идёт к CD. Это, кстати, можно использовать для проверки. Если подкинуть /ROM вместо /CE0, приставка должна заработать. Но обязательное условие: картридж должен быть не более 2 Мбайт
Когда-то мы с коллегой разбирали эту ситуацию и пришли к следующим выводам.

Сначала происходит пробой защитного диода к плюсу. Без картриджа всё выглядит нормально, с картриджем просадка питания, полосы по экрану, гул. нагрев. В дальнейшем происходит выгорание проводника, соединяющего кристалл с выводом и вход уходит в вечно отключенное состояние. Конечно микросхемы никто не вскрывал и это только теория, но должно происходить что-то подобное.